商品分类
我的关注
小洞天儿
淘宝省钱小助手
历史查询
檀香
T恤 棉
围炉煮茶
军大衣
闺蜜机
伏湿膏
陶瓷茶杯
怪兽家族
茶洗
血压计
热门搜索
商品分类
小洞天儿
淘宝优惠券
母婴玩具
化妆品
珠宝饰品
生鲜水果
鲜花
店铺精选
品牌精选
搜券券
收藏商品
冬季环卫工人工作服棉衣男反光市政道路衣服清洁保洁加厚劳保棉袄
¥
102
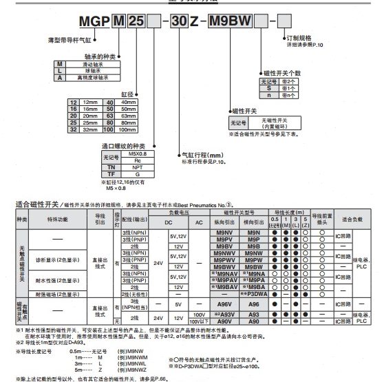
2040 PM3/0三轴气缸Z00SMC原装/30/050MG25/100/-2 /
价格
¥
297.39
运输
河北 石家庄 至 上海 包邮
月销量
0
立即购买
复制去粘贴到QQ/微信
品类齐全,轻松购物
多仓直发,极速配送
精选优选,精致服务
天天低价,畅选无忧