商品分类
我的关注
小洞天儿
淘宝省钱小助手
历史查询
檀香
T恤 棉
围炉煮茶
军大衣
闺蜜机
伏湿膏
陶瓷茶杯
怪兽家族
茶洗
血压计
热门搜索
商品分类
小洞天儿
淘宝优惠券
母婴玩具
化妆品
珠宝饰品
生鲜水果
鲜花
店铺精选
品牌精选
搜券券
收藏商品
兄华内衣男款短袖T恤莫代尔汗衫纯棉背心男士加大码圆领打底衫夏
¥
85
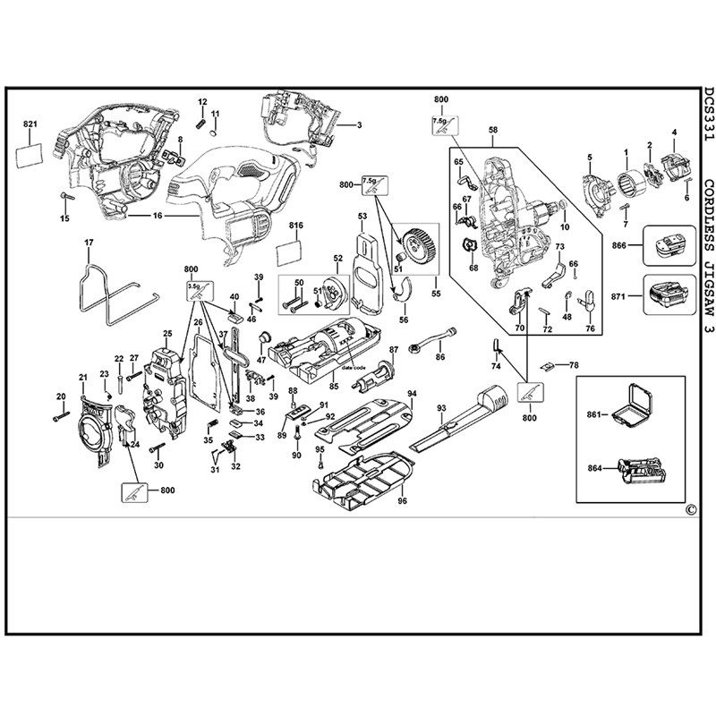
正品得伟DEWALT锂电18V充电式曲线锯DCS331零配件维修服务
价格
¥
6.1
运输
山东 青岛 至 上海 包邮
月销量
0
立即购买
复制去粘贴到QQ/微信
品类齐全,轻松购物
多仓直发,极速配送
精选优选,精致服务
天天低价,畅选无忧